DV/DN 立式與立臥式油壓夾頭系列
DV/DN 立式與立臥式油壓夾頭系列 Vertical and vertical horizontal stationary power chuck
l Suitable for vertical milling and drilling operations.
l With large through-hole, Vertical / horizontal power chucks does not only clamp the long workpiece but also the horizontal holding.

|
SPEC |
Piston |
Piston Area |
Max. Draw Bar Force |
Piston |
Max. |
Weight |
Matching Chuck |
|
DV-6 |
Ø115 |
104 / 78.5 |
1900 / 1400 |
20 |
20 |
12 |
V-206 |
|
DV-8 |
Ø155 |
187 / 148.6 |
3600 / 2800 |
21 |
20 |
21 |
V-208, V-210, V-212 |
|
DN-8 |
Ø155 |
148.6 / 148.6 |
2800 / 2800 |
17 |
20 |
28.5 |
N-208 |
|
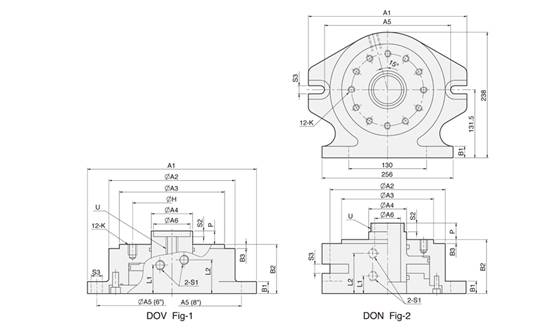
DIM |
A1 |
A2 |
A3 |
A4 |
A5 |
A6 |
B1 |
B2 |
B3 |
H |
K |
L1 |
L2 |
P |
P |
S1 |
S2 |
S3 |
U |
Referenoe |
|
DV-6 |
Ø220 |
168 |
140 |
55 |
Ø220 |
49 |
16 |
65.5 |
5.5 |
104.78 |
12-M10x16L |
38 |
45 |
18 |
-2 |
PT 1/4" |
7.6 |
2-Ø15 |
M16xP2.0 |
Fig-1 |
|
DV-8 |
Ø290 |
210 |
170 |
70 |
242 |
58 |
24 |
86 |
5.5 |
133.35 |
12-M12x18L |
23 |
65 |
20 |
-1 |
PT 1/4" |
5.5 |
2-16 |
M16xP2.0 |
Fig-1 |
|
DN-8 |
Ø293 |
213 |
170 |
70 |
242 |
52 |
24 |
100 |
5.5 |
133.35 |
12-M12x18L |
32.5 |
74.5 |
30.4 |
13.4 |
PT 1/4" |
16 |
4-17 |
M60xP2.0 |
Fig-2 |
