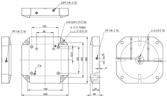
空壓求心虎鉗 PSC-100
空壓求心虎鉗 PSC-100 同心虎鉗
|
A |
B |
C |
D |
E |
F |
G |
J |
J1 |
夾持行程 |
最大夾持力 |
淨重KG |
|
|
PSC-100 |
124 |
116 |
150 |
100 |
150 |
100 |
Ø8 |
27.5 |
120 |
4 |
2,750 lbf |
25 |
|
PSC-88 |
111.5 |
103.5 |
150 |
88 |
150 |
100 |
Ø8 |
27.5 |
120 |
3 |
2,400 lbf |
23.5 |
- 可改變移動塊方向增加夾持距離

- 靈活運用移動塊滿足不同加工物件之夾持需求

特點:
Ø 空壓中心虎鉗,重複夾持定位精度高(可達0.01mm) ,適用於精密四、五軸CNC工具機、分度盤,或CNC切削加工中心機之精密加工使用。
Ø 可視加工需求使用手動開關夾持或自動開關夾持,夾持開關速度快,亦可搭配工具機及機械手臂進行自動化之生產。
Ø 內部特殊設計,避免空壓源在低點而失壓,以確保工件之夾持及加工時之安全性。
Ø 空壓中心虎鉗可多台並列且本體高度皆有定寸規格,可多台同時使用,可大幅提升生產效率及節省成本。
Ø 虎鉗本體及零件採高級合金鋼製作,並經高品質之調質及硬化之熱處理流程,具高強度、高耐磨、高抗張力之特性,並經各道精密加工及高精度研磨處理,夾持基準面精度高,可達高品質之加工效果及要求。
Ø 虎鉗鉗口熱處理硬度為HRC45°以上,可夾持各項高硬度材質,鉗口可快速更換方向以增加夾持距離,或變換不同形式之鉗口,以符合加工各項物件之夾持需求,使夾持工件更具多樣性及靈活性,鉗口上端為45°斜角燕尾齒狀之特殊結構設計,可產生下壓力夾持力道並確保穩固夾持工件。
-
標準附件:
1. T型螺帽(M12)x42. M12x30L螺絲x4支
選配件:
1.轉接板
(除墊高之功用外也可由下出孔連接氣壓管) 
手動控制選配件:
1.壓力閥: UR – 02(G1/4)
2.手動閥:四口三位(G1/4) 

自動控制選配件:
1. 壓力閥: UR – 02(G1/4牙)
2. 電磁閥 (5口2位 / 5口3位)
3. 快速接頭(PC 08 –
02_PT1/4) 


- 轉接板規格:

