詢價車 (
0
)
繁體中文
|
English
|
indonesian
+886-4-22820222
詢價車
公司簡介
最新消息
永鎰機械
斗銷 斗軸
鋼套 軸套
工字架 牛擔 千秋架
H板 拉桿 連杆
牛鼻頭 馬拉頭
斗耳 斗管 套管
履帶調整油壓組 涨緊油缸
斗齒銷
履帶銷 鏈肖
操作桿萬向接頭 萬向節
操作桿萬向接頭 萬向節
萬向接頭壓帽
黃油嘴
吊輪
鐵管束 配管固定座
溢流閥頂針 開關座頂針 錐閥閥芯
斗銷華司 斗銷墊片
油壓缸蓋 牙頭
走路拉桿座
走路拉桿座總成
走路拉桿座U形夾+肖整組
研磨加工 平面&球型 鏡面
鼎圓油封
重機械挖土機修理包
油封
擋油油封 U迫緊
擋土防塵油封
緩衝油封
RING
O形環
O形環盒
X型環
活塞環
電木環 耐磨環
KZT 防污染耐磨環
活塞油封 / 組合油封
自潤軸承 乾式軸承
背托環
浮動油封 磨擦油封
操作桿子彈頭
連軸器
輔助幫浦 機油幫浦 &曲軸
油面計 油尺
行走上蓋 行走脚踏閥
工具組
SKF 耐磨襯套
聖陶砂五金
SU’S 鑽頭 銑刀 絲攻 (印尼代理)
高速鋼鑽頭
鎢鋼鑽頭
高鈷端銑刀
鎢鋼立銑刀
絲攻
切削條件
刀桿 夾頭 筒夾系列
鑽夾頭
刀桿 刀把
筒夾 彈性筒夾 套夾
板手
套筒
拉栓
設定器 / 尋邊器
捨棄式刀具 車刀系列
外徑車刀
內徑車刀
切斷刀
微小徑鎢鋼內徑車刀
銑刀
快速鑽頭
套筒
虎鉗、夾治具
精密虎鉗
五軸虎鉗
空油壓虎鉗
鑽床虎鉗
工具萬力
夾具/治具
分度盤
AUTO STRONG 三爪夾頭、軟爪、硬爪 (印尼only)
手動夾頭
油壓夾頭
迴轉油壓缸
筒夾夾頭
軟/硬爪
氣壓夾頭
磨刀機 / 研磨機系列
鑽頭研磨機
銑刀研磨機
多功能刀具研磨機
沖子研磨機
刀具切斷機
氣動研磨機
頂針
固定式頂針
替換式頂針
鎢鋼頂針
傳動頂針
傘型頂針
頂針配件
磁性工具&整流器
永磁系列
電磁系列
整流器
脫磁系列
吊重系列
精密車床、銑床、配件
銑床
車床
工具配件
鑽孔、攻牙系列
鑽床/攻牙機
氣動攻牙機
萬向油壓攻牙機
萬能多軸器
砂輪
砂輪介紹
內孔研磨砂輪
平面研磨砂輪
外圓研磨砂輪
無心研磨砂輪
砂布輪
砂布環帶
調整輪
帶柄砂輪
油石 & 砂條
汽門座砂輪
焊刃式刀具
焊刃式銑刀
T型刀 鳩尾槽
倒角刀、外角R刀
球刀、圓鼻刀
筒孔刀、側銑刀、平面刀
筒孔刀
側銑刀
面銑刀
公司位置
檔案下載
聯絡我們
繁體中文
English
indonesian
首頁
產品介紹
聖陶砂五金
虎鉗、夾治具
分度盤
簡易型快速分度盤
簡易型快速分度盤
型號 :
CC-6 CC-8
數量 :
加入詢價車
產品敘述
規格
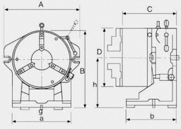
簡易型快速分度盤 Simple Indexing Spacer CC-6 CC-8
簡易型快速分度盤 Simple Indexing Spacer CC-6 CC-8
相關產品
萬能分度頭
型號 : BS-2
加入詢價車
分度頭
型號 : BS
加入詢價車
封閉式萬能分度頭
型號 : BS-3
加入詢價車
強力型快速分度盤
型號 : CS CS-6 CS-8
加入詢價車
橫立兩用分度盤
型號 : HV
加入詢價車