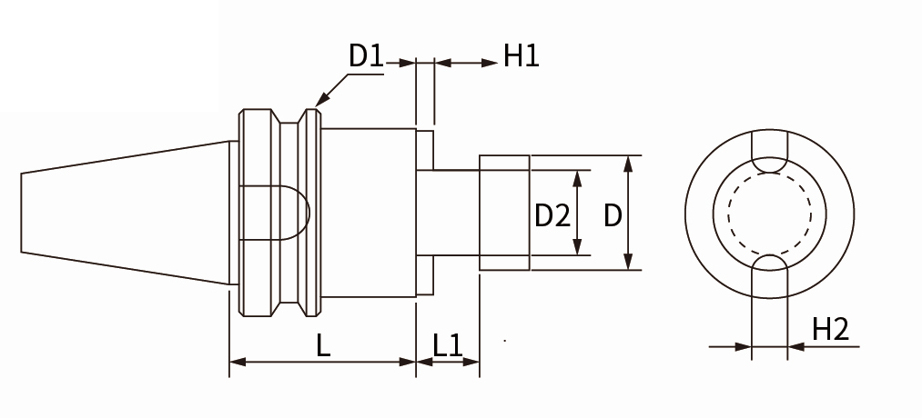
BT面銑式銑刀桿
BT Face Mill Holder BT面銑式銑刀桿 平面銑刀把 FMA FMB

BT Face Mill Holder BT面銑式銑刀桿 平面銑刀把 FMA FMB
|
Model No. |
L |
L1 |
D |
D1 |
D2 |
H1 |
H2 |
|
BT30-FMA25.4-60 |
60 |
20 |
35 |
46 |
25.4 |
4.52 |
9.52 |
|
BT30-FMA31.75-45 |
45 |
22 |
41 |
46 |
31.75 |
6.7 |
12.7 |
|
BT40-FMA25.4-45 |
45 |
20 |
35 |
63 |
25.4 |
4.52 |
9.52 |
|
BT40-FMA25.4-90 |
90 |
20 |
35 |
63 |
25.4 |
4.52 |
9.52 |
|
BT40-FMA25.4-105 |
105 |
20 |
35 |
63 |
25.4 |
4.52 |
9.52 |
|
BT40-FMA31.75-45 |
45 |
22 |
41 |
63 |
31.75 |
6.7 |
12.7 |
|
BT40-FMA31.75-90 |
90 |
22 |
41 |
63 |
31.75 |
6.7 |
12.7 |
|
BT40-FMA38.10-90 |
90 |
23 |
44.5 |
63 |
38.1 |
8.87 |
15.87 |
|
BT50-FMA25.4-45 |
45 |
20 |
35 |
100 |
25.4 |
4.52 |
9.52 |
|
BT50-FMA25.4-150 |
150 |
20 |
35 |
100 |
25.4 |
4.52 |
9.52 |
|
BT50-FMA31.75-105 |
105 |
22 |
41 |
100 |
31.75 |
6.7 |
12.7 |
|
BT50-FMA38.10-45 |
45 |
23 |
44.5 |
100 |
38.1 |
8.87 |
15.67 |
|
BT50-FMA50.80-45 |
45 |
36 |
68 |
100 |
50.8 |
9.75 |
19.05 |
|
BT50-FMA47.62-75 |
75 |
32 |
|
100 |
47.62 |
12.5 |
25.4 |
|
BT30-FMB22-45 |
45 |
18 |
26 |
46 |
22 |
4.8 |
10 |
|
BT30-FMB22-60 |
60 |
18 |
26 |
46 |
22 |
4.8 |
10 |
|
BT30-FMB27-60 |
60 |
20 |
31.5 |
46 |
27 |
5.8 |
12 |
|
BT40-FMB22-45 |
45 |
18 |
26 |
63 |
22 |
4.8 |
10 |
|
BT40-FMB22-60 |
60 |
18 |
26 |
63 |
22 |
4.8 |
10 |
|
BT40-FMB22-100 |
100 |
18 |
26 |
63 |
22 |
4.8 |
10 |
|
BT40-FMB27-45 |
45 |
20 |
31.5 |
63 |
27 |
5.8 |
12 |
|
BT40-FMB27-60 |
60 |
20 |
31.5 |
63 |
27 |
5.8 |
12 |
|
BT40-FMB27-90 |
90 |
20 |
31.5 |
63 |
27 |
5.8 |
12 |
|
BT40-FMB27-105 |
105 |
20 |
31.5 |
63 |
27 |
5.8 |
12 |
|
BT40-FMB32-60 |
60 |
22 |
41 |
63 |
32 |
6.8 |
14 |
|
BT40-FMB40-60 |
60 |
25 |
48 |
63 |
40 |
8.3 |
16 |
|
BT50-FMB22-60 |
60 |
18 |
26 |
100 |
22 |
4.8 |
10 |
|
BT50-FMB22-75 |
75 |
18 |
26 |
100 |
22 |
4.8 |
10 |
|
BT50-FMB22-150 |
150 |
18 |
26 |
100 |
22 |
4.8 |
10 |
|
BT50-FMB27-60 |
60 |
20 |
31.5 |
100 |
27 |
5.8 |
12 |
|
BT50-FMB27-100 |
100 |
20 |
31.5 |
100 |
27 |
5.8 |
12 |
|
BT50-FMB27-150 |
150 |
20 |
31.5 |
100 |
27 |
5.8 |
12 |
|
BT50-FMB32-60 |
60 |
22 |
41 |
100 |
32 |
6.8 |
14 |
|
BT50-FMB32-105 |
105 |
22 |
41 |
100 |
32 |
6.8 |
14 |
|
BT50-FMB40-60 |
60 |
25 |
48 |
100 |
40 |
8.3 |
16 |
|
BT50-FMB40-90 |
90 |
25 |
48 |
100 |
40 |
8.3 |
16 |
|
BT50-FMB40-105 |
105 |
25 |
48 |
100 |
40 |
8.3 |
16 |
|
BT50-FS40F-75 |
75 |
26 |
|
100 |
40 |
8.3 |
16 |
|
BT50-FS60F-75 |
75 |
25 |
|
100 |
60 |
12.5 |
25.4 |
